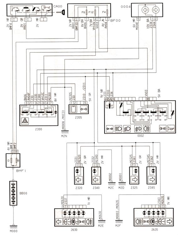
Schema Cablage Citroën Fl Citroën C1: Boîte à Fusibles Compartiment Moteur
Shema electrique citroen c3 hdi.pdf notice & manuel d'utilisation. L'institut citroën electricite electronique. Citroën 2 cv : circuits et équipements électriques
schema cablage citroën fl
Download PDF
Shema electrique citroen c3 hdi.pdf notice & manuel d'utilisation


Citroën 2 cv : circuits et équipements électriques. Shema electrique citroen c3 hdi.pdf notice & manuel d'utilisation. Schema electrique eclairage. L'institut citroën electricite electronique
Citroën C1: Boîte à fusibles compartiment moteur - Changement d'un
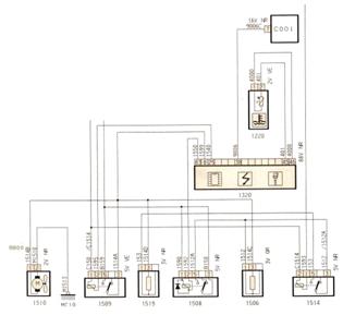
L'INSTITUT CITROËN ELECTRICITE ELECTRONIQUE
Citroën 2 CV : circuits et équipements électriques - Minute-Auto.fr
Shema Electrique Citroen C3 Hdi.pdf notice & manuel d'utilisation
L'INSTITUT CITROËN ELECTRICITE ELECTRONIQUE

Tidak ada komentar:
Posting Komentar