Datsun Wiring Diagram V8 [nt_0100] Datsun 710 Wiring Diagram Free Diagram
Hardbody zafira xterra c22 patrol sentra justanswer imageservice vp44 diagrams farm5 mk harness schemas. 280z ignition switch to 5.7l tpi wiring. Datsun 510 wiring 1971 diagram times coal worst 1978
datsun wiring diagram v8
Download PDF
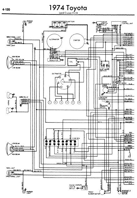
Repair-manuals: toyota land cruiser fj55 1974 wiring diagrams


Wiring schematics. Ford 460 distributor firing order. Datsun 510 wiring 1971 diagram times coal worst 1978. Firing 6al msd 1973 fordfiringorder
repair-manuals: Toyota Land Cruiser FJ55 1974 Wiring Diagrams
1972 Datsun 240z Wiring Diagram
280Z Ignition Switch to 5.7L TPI wiring - Gen I & II Chevy V8 Tech
1977 Datsun 280z Wiring Diagram
[NT_0100] Datsun 710 Wiring Diagram Free Diagram

Tidak ada komentar:
Posting Komentar